Nouvelle technologie contre les carences en fer

Découverte contre les carences en fer: des scientifiques ont développé une nouvelle méthode pour enrichir les aliments avec des minéraux de fer.
Dans le cadre du PNR 69, des scientifiques de l’EPF de Zurich ont développé une nouvelle méthode pour enrichir les aliments avec des minéraux de fer. Leur découverte, basée sur les nanotechnologies, peut être un moyen efficace pour lutter contre les carences en fer répandues dans le monde. En effet, plus de deux milliards de personnes manquent de cet oligoélément – avec pour conséquences la fatigue, l’amoindrissement des performances et l’anémie.
Un matériau hybride efficace
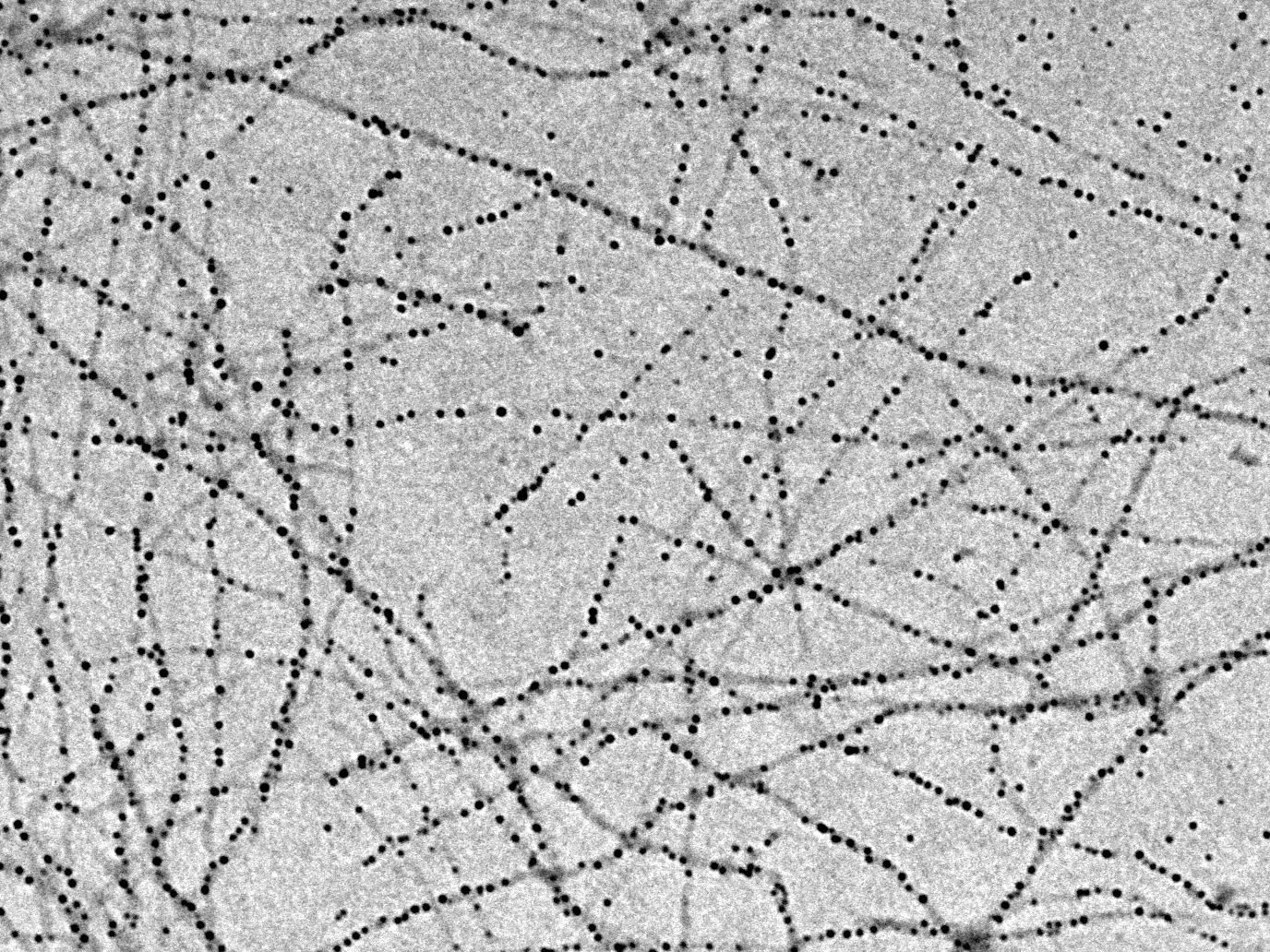
A ce jour, il est difficile d’enrichir les aliments avec du fer: soit le corps peine à assimiler les composants du fer, soit ces derniers altèrent la couleur et le goût des aliments. L’ajout de nanoparticules de fer serait prometteur, car elles sont digestes et neutres au goût. Malheureusement, ces particules sont très instables. Les scientifiques de l’EPF de Zurich ont désormais trouvé un moyen pour transporter les nanoparticules de fer de façon stable: ils utilisent des nanofibres de la protéine du lait (appelées fibres amyloïdes) comme support pour les nanoparticules de fer. Des premiers tests montrent que ce matériau hybride agit de façon sûre et efficace contre les carences en fer. De plus, il est peu coûteux à fabriquer, se conserve longtemps et n’a pas de répercussions négatives sur le goût des aliments. Les résultats de cette étude ont été publiés dans la revue Nature Nanotechnology en avril 2017. Les scientifiques ont déposé un brevet pour cette découverte et veulent la développer avec l’industrie.
