A new technology to combat iron deficiency

Combating iron deficiency: researchers have developed a new method of supplementing food with iron compounds.
As part of their NRP 69 project, researchers at ETH Zurich have developed a new method for supplementing foodstuffs with iron compounds. Their development, which is based on nanotechnology, may be an efficient way of combating the globally widespread iron deficiency. Over two billion people are deficient in this trace element, resulting in tiredness, reduced productivity and anaemia.
Efficient hybrid material
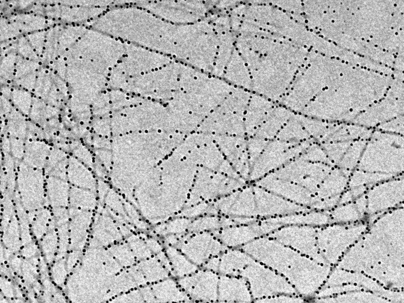
Until now, it has been difficult to add iron supplements to food. Either the body finds it difficult to absorb the iron compounds, or they adversely affect the colour and taste of foodstuffs. The use of iron nanoparticles would be promising, as these are easily digestible and tasteless. Unfortunately, these particles are very unstable. Researchers at ETH Zurich have now discovered how to transport iron nanoparticles in a stable manner. They are using nanofibrils made from milk protein (known as amyloid fibrils) as carriers for iron nanoparticles. Initial tests show that this hybrid material is safe and combats iron deficiency efficiently. It is also cheap to produce, has a long shelf life and has no adverse effect on the taste of food. The results of the study were published in the journal Nature Nanotechnology in April 2017. The researchers have registered a patent for their development and want to continue to develop it commercially.
