Neue Technologie gegen Eisenmangel entwickelt

Entwicklung gegen Eisenmangel: Forschende haben eine neue Methode zur Ergänzung von Nahrungsmitteln mit Eisen-Mineralien entwickelt.
Forschende der ETH Zürich haben im Rahmen ihres NFP-69-Projekts eine neue Methode zur Ergänzung von Nahrungsmitteln mit Eisen-Mineralien entwickelt. Ihre auf Nanotechnologie basierende Entwicklung könnte ein effizientes Mittel sein, um den weltweit verbreiteten Eisenmangel zu bekämpfen. Das Spurenelement mangelt über zwei Milliarden Menschen – die Folgen sind Müdigkeit, verminderte Leistungsfähigkeit und Blutarmut.
Effizientes Hybridmaterial
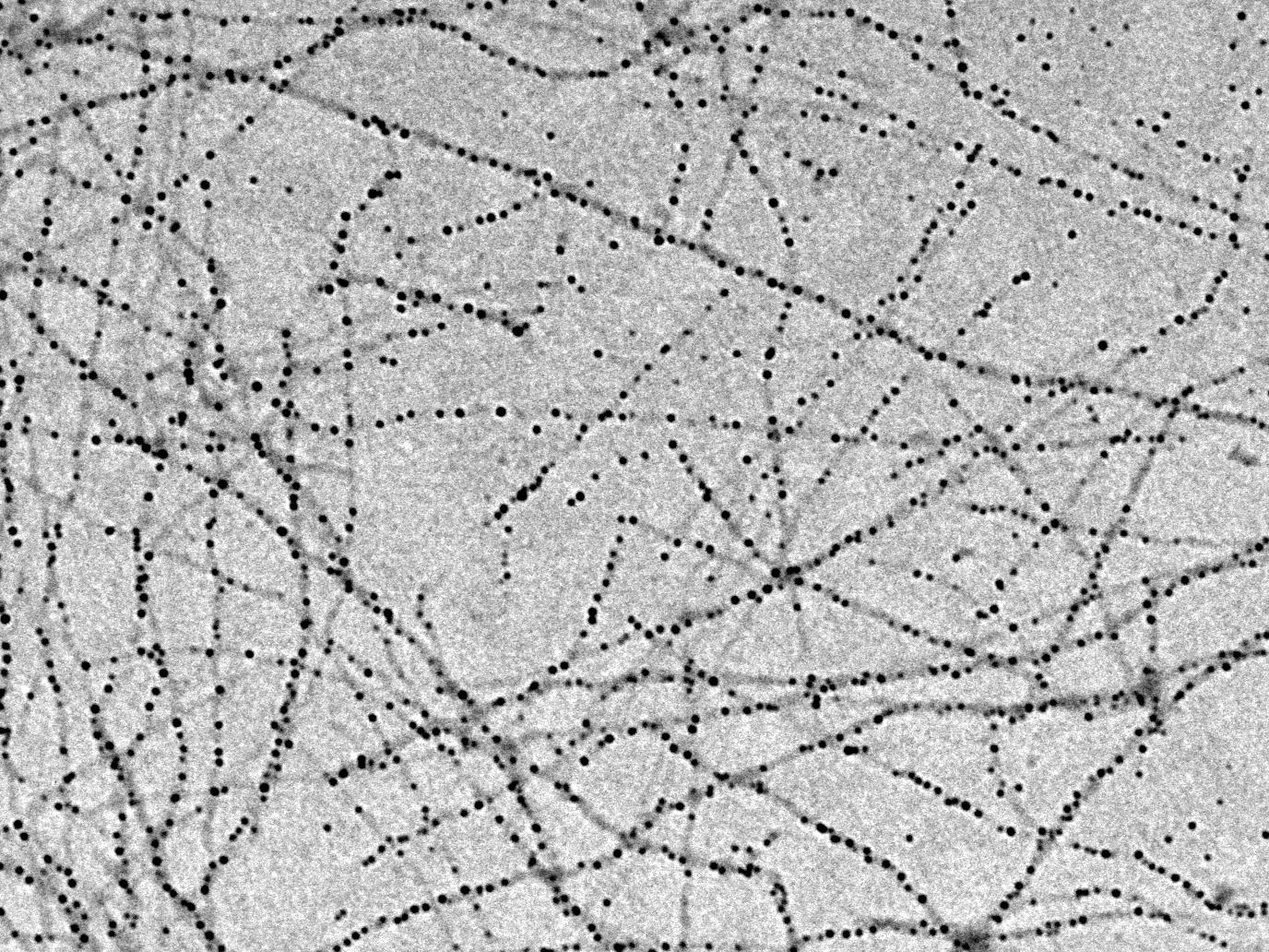
Bisher ist die Eisen-Ergänzung von Nahrungsmitteln schwierig: Der Körper kann gängige Eisenverbindungen entweder nur schwer aufnehmen oder diese beeinflussen Farbe und Geschmack von Nahrungsmitteln negativ. Vielversprechend wäre der Zusatz von Eisen-Nanopartikeln, da diese gut verdaubar und geschmacksneutral sind. Leider sind diese Teilchen aber sehr instabil. Nun haben die Forschenden der ETH Zürich einen Weg gefunden, wie sie Eisen-Nanopartikel stabil transportieren können. Sie setzen dabei Nanofasern aus Milchprotein (sogenannte Amyloidfasern) als Träger für die Eisen-Nanopartikel ein. Erste Tests zeigen, dass dieses Hybridmaterial sicher und effizient gegen Eisenmangel wirkt. Es ist zudem kostengünstig herzustellen, lange haltbar und hat keine negativen Auswirkungen auf den Geschmack von Lebensmittel.
Die Resultate der Studie wurden im April 2017 in Nature Nanotechnology veröffentlicht. Die Forschenden haben ein Patent auf ihre Entwicklung angemeldet und wollen diese mit der Industrie weiterentwickeln.
